细节再现工装-细节再现器具-划线试验块
符合标准:
YY/T 0462-2018,7.7细节再现
介绍:
试验块:带如图6和图7中所示的划线,由硬化不锈钢材质(400VHN)制成。
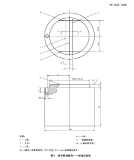
环形模具:如图8所示。按GB/T131-2006,表面粗糙度为N5(Ra=0.4μm).
开口模具:如图9所示。按GB/T131-2006,表面粗糙度为N5(Ra=0.4μm).





济南乾元仪器有限公司
地址:山东省济南市历城区董家街道稼轩路8186-76号
联系人:王工
电话:17505413086
手机:17505413086
时间:2026-04-09 08:47:08 来源:本站 点击:45次
细节再现工装-细节再现器具-划线试验块
符合标准:
YY/T 0462-2018,7.7细节再现
介绍:
试验块:带如图6和图7中所示的划线,由硬化不锈钢材质(400VHN)制成。
环形模具:如图8所示。按GB/T131-2006,表面粗糙度为N5(Ra=0.4μm).
开口模具:如图9所示。按GB/T131-2006,表面粗糙度为N5(Ra=0.4μm).




